无障碍  |  设为首页  |  加入收藏  |  网站地图
| 霍城县微博 |
 网站首页   走进霍城   新闻中心   政务公开   政务服务   政民互动   专题专栏 
当前位置: 网站首页 > 专题专栏 > 涉企行政检查公示专栏 > 检查计划
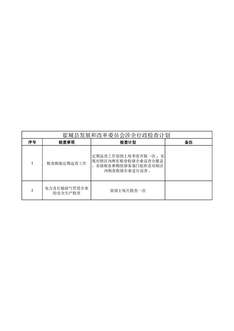
霍城县发展和改革委员会涉企行政检查计划
2025-12-05 16:12     (点击:)

关闭窗口

相关附件

开办:新疆霍城县人民政府  主办:新疆霍城县人民政府办公室  承办:新疆霍城县电子政务办
地址:霍城县新政府楼A楼2楼  邮编:835200 联系电话:0999-3022363   邮箱:whwdezm88@163.com
网站标识码:6540230001  新ICP备19001574号-1  新公网安备 65402302000102号   网站地图